Daihatsu Storia&Sirion/Toyota Duet 1998-04 ремонт Легион б1.0/1,3 л:
Характеристики
Автор:
Колектив авторів
Видавництво:
Легіон
Кіл-ть стор.:
254
Формат:
PDF
Двигуни:
б1.0/1,3 л
Мова:
російська
Рік випуску моделі:
1998-2004
Марка:
Daihatsu/Toyota
Модель:
Storia/Sirion/Duet
Оформление заказа
450грн.

Код товара: 2106am-pdf
На складе: есть

Рейтинг:
Оценить:


ФОРМАТ PDF
У посібнику дається покроковий опис процедур з експлуатації, технічного обслуговування та ремонту передньопривідних та повнопривідних автомобілів Toyota DUET та Daihatsu SIRION/STORIA 1998-2004 рр. випуску, обладнаних бензиновими двигунами EJ-DE (1,0 л), EJ-VE 0 л DWT), K3-VE (1,3 л) иКЗЛ/Е2(1,Зл).

Видання містить докладні відомості щодо перевірки елементів системи керування бензиновими двигунами, системи зміни фаз газорозподілу (DWT), мастила, охолодження, запуску та зарядки. регулювання та ремонту двигунів, механічних та автоматичних коробок передач, роздавальної коробки, елементів гальмівної системи (включаючи ABS), електронної системи розподілу гальмівних зусиль (EBD), системи курсової стійкості (VSC), протибуксувальної системи (TCS), системи пасивної безпеки (SRS), кермового керування та підвіски.
 
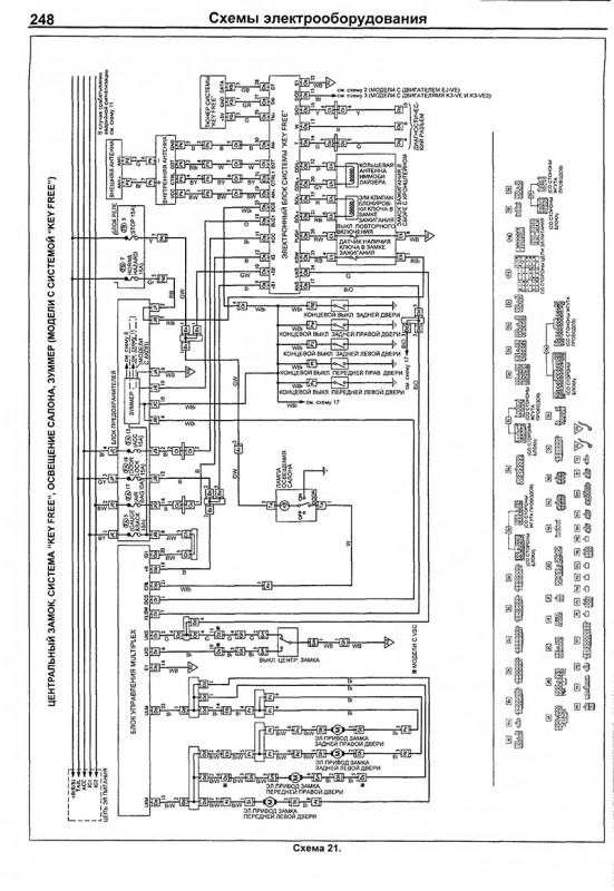
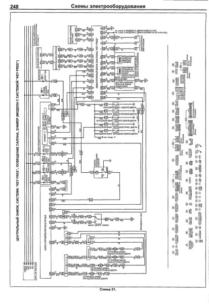
Представлені електросхеми та описи перевірок елементів електроустаткування.

Есть вопросы по этому товару?
Вы можете задать нам вопрос(ы) с помощью следующей формы.
code